You have to make the circuit according to the given diagram. There are six basic types of commercially used water level indicators: Resistive, Capacitive, Ultrasonic, Frequency, Guided wave GWR, and Pressure transducers. hi guys.. Im doing project on water level indicator, I have designed water level sensor using transistor BC547. These pins are working as the individual probe for different levels. 5. NEXTPCB PCB MANUFACTURER COMPANY NextPCB was founded in 2004 and has since established itself as a turnkey PCB manufacturing and assembly factor 8051 microcontroller tutorial atmel 8051 architecture. arduino pro mini 328 5v 16mhz dev 11113 sparkfun.
When soil is moist, the current will start flowing from one terminal to another, working as a closed circuit.
This system can be used for any non-flammable liquids reservoir, tank, or other containers. The innovative water level indicator circuit on Alibaba.com promote exemplary precision. Water level indicator gives you an indication on 7 segment display by displaying E, P and C for empty, partially fill and completely fill, The two-wire cable connecting the remote circuit board to the main control board, i.e. This tutorial covers the whole explanation and construction of a useful weekend project that is Simple Water level Indicator.
water level indicator project Using Ic 555 | 555 Ic Projects Water level indicator definition: A water level indicator is a system that relays information back to a control panel to indicate whether a body of water has a high or low water level.
diagram A water-level marker is an electronic circuit device that transfers data back to control board to show whether a waterway has a high or low water level. Thanks in advance.
drainage 12v protect controller circuit module liquid sensor level water The current consumption of the TOF10120 is 35mA. Project Concept of Water/Liquid Level Indicator with Overflow Alarm. Connect pins 4 and 8 together. Turns off the motor when the water reaches the top level. Both yellow and green light will be ON in the middle level. Designing the circuit of Water Level Indicator on Printed Circuit Board (PCB) using LTSpice and Kicad Softwares.
numeric wiring engineerin artyku Water Level Indicator Alarm - circuits-diy.com Turns off the motor when there is no flow of water into the overhead tank Turns on the motor when the water level falls below the bottom level Top, Bottom, Flow indicator Power ON and Motor ON indicator.
Smart Irrigation System Circuit Diagram and circuit water level automatic controller schematic electronics weight 
Water Level Indicator Circuit Board We usually keep on with the principle "Quality To start with, Prestige Supreme". SID
Water Level Indicator Alarm - Circuits DIY electronic circuit schematics.

The innovative water level indicator circuit on Alibaba.com promote exemplary precision. When the water level reaches the middle level (at point 2), the two-transistor (T1 and T2) gets activated.

OUT is the Analog output pin of the board that will give us an analog signal in between VCC and ground.
23 Water level indicator ideas in 2022 | electronics projects the red light will glow.
The use of water level indicator is common nowadays. Why only 6V AC is ude for detection.
water level indicator circuit alarm transistors The water level detection circuit is more or less just an RF transmitter with bare wires connecting to its data pins. Water Level Indicator : Circuit Working and Its Applications Water Level Indicator Circuit Diagram. We will be discussing the interfacing and simulation code of the circuit in later part of this article. The water level indicator is used to measure the level of water present in the tank. The yellow light will glow. Three LED lights have been used to check the water level in the tank. The working of the complete water level indicator project is shown in below block diagram. Circuit for Water Level Controller Using ic 555.
Moreover, a buzzer is used to alert you of water overflowing from the tank. You can use this circuit for water tank motor control or a stand alone circuit.
sinoning 7.)
sinoning This Circuit was Working Similarly that the Continuity Tester Circuit. Attach the GND pin of the water level sensor with the GND pin of the NodeMCU. a supply carrying probe) at the bottom Circuit Connections. Low-cost ready-made board. 4. If you like this project subscribe us on youtube for more interesting projects :- Some water level indicators use a combination of probe sensors or
Water Level Indicator | Transistor basic circuits - Hackster.io Water Level Sensor Using ESP8266 Nodemcu, TOF10120 Water Level Indicator Circuit Diagram-Liquid Level Sensor It can be very long, if necessary. 1. To make this project we need some components (Best Buy Link Provided):- Transistor (BC547) X 4 LED (Multicolour,5mm) X 4 Resistor (470E) X 4 PCB Take a 555 timer ic and place it on the breadboard.
level indicator water diagram schematic breadboard circuit project circuits Circuit for Water Level Controller Using ic 555. Hardware Required Circuit Diagram Working Explanation
LM339 Circuit: How to Make Water Level Indicator 
Standard PCB board (or you can use breadboard).
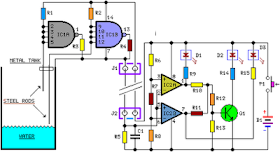
water level indicator Water Level Indicator It is used to switch on the motor pump when the level of water falls below the lowest level in tank.This water level indicator with display is based on two IC that is 74147 IC and 4511 IC.
Water Level Controller Circuit Board water level indicator circuits sensor We have interfaced the moisture sensor with Arduino UNO board. When the tank is empty, the input. These top-rate water level indicator circuit have irresistible discounts. Download Step 1: Hardware Required Water Level Indicator PCB 74HC147 IC with base CD4511 IC with base 7805 5v Regulator 7 Segment Common Cathode BC547 Transistors 4x 560k Resistors 9x 33k Resistors 4x 10k Resistors 4x 470 Resistors 7x DC Power Jack 9v Battery with clip Some Jumper wires for water level signal Add Tip
Water Level Indicator - circuit-diagramz.com The ULN2803 is an eight-Darlington-array IC with eight Darlington transistors.

The buzzer receives this signal.
How to make a Simple Water Level Indicator - PlusSmiley 3. Follow the following steps to make PCB using "Tonner transfer Technic" Take a print on photo paper using tonner powder filled printer. We've been fully committed to offering our purchasers with competitively priced excellent solutions, prompt delivery and skilled support for Water Level Indicator Circuit Board, Bare Bones Board , Rf/Microwave Circuit Board , Industry Pcb , Fast Pcb . #define trigger 10 #define echo 11 #define motor 8 #define buzzer 12. It is a simple tool to detect the level of water in any container or tank. The use of water level indicator is common nowadays.
Water Level Indicator Using 7-Segment Display - EEWeb Some water level markers utilize a mix of test sensors or changes to detect water levels.
Water Level Indicator with Display Water Level Indicator : Circuit Working and Its Applications
Water Level Indicator & Controller : 7 Steps - Instructables